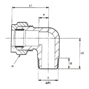
1/4" BSPT Male Stud Elbow To 10mm OD Compression
- 1/4" BSPT Male Stud Elbow To 10mm OD Compression
- 90° Elbow configuration with a BSP taper male stud thread
- Enables tube connection to a mating BSP taper or BSP parallel BS21 female threaded port
| Tube OD. | T BSPT Male Thread | M Stud Length | L1 Length | L2 Length | H Hex A/F | P Abutment |
|---|---|---|---|---|---|---|
| 10 | 1/4 | 10.5 | 28.5 | 23.5 | 19 | 13.5 |
Material Standards For Wade Medium Pressure Brass Compression Fittings
Wade brass compression fittings are designed and manufactured to BS 2051 Part 2 and from material to the following standards;
Bar Parts BS-EN 12164:2011 CW614N Chemical composition % of grade CuZn39Pb3 ( CW614N )
| Fe | Ni | AI | Cu | Pb | Sn | Others | |
|---|---|---|---|---|---|---|---|
| max 0.3 | max 0.3 | max 0.05 | 57 - 59 | 2.5 - 3.5 | max 0.3 | Total 0.2 | Zn-Remainder |
Stampings BS-EN 12165:2011 CW617N Chemical composition % of grade CuZn40Pb2 ( CW617N )
| Fe | Ni | AI | Cu | Pb | Sn | Others | |
|---|---|---|---|---|---|---|---|
| max 0.3 | max 0.3 | max 0.05 | 57 - 59 | 1.6 - 2.5 | max 0.3 | Total 0.2 | Zn-Remainder |
Copper Compression Rings & Sealing Washers: BS-EN 12449
Although ‘Wade Couplings’ are primarily designed for use with copper tubes the range also includes a variety of compression nuts and rings which provide additional jointing options for;
- PVC covered Copper tubes
- Nylon tube
- Polythene tubes
- Brass tube
- Bundy tube
The standard range is available to suit Imperial and Metric outside diameter tube sizes from 1/8” to 1” and 4mm to 28mm. Male and Female stud thread connection options include; BSP Parallel, BSP Taper and API / NPT from 1/8” to 1”.
Note: Wade coupling bodies are designed for use with Wade compression nuts and rings. The component parts are not intended as interchangeable with other brands.
The recommended working pressures for the Wade brass compression fittings range conform to BS 2051 Part 1 for temperatures up to 65° C. The maximum recommended working pressures stated apply for use with Copper and PVC Covered Copper Tubes at ambient temperature.
Note: if other tube types are used these figures do not apply and the maximum working pressure and temperature will be limited by the tubing material, wall thickness and capability.
For additional information please see the Technical Specification Document Linked Below
| Datasheets |
|---|
Related Products
1/4" - 1/8" Reducing Bush
Excl. VAT: £8.85
6mm OD Copper Olive
Excl. VAT: £1.47
10mm OD x 3/8" BSPT Male Stud Elbow BSPT
Excl. VAT: £5.91
3/8" BSP x 1/4" OD Stud Coupling
Excl. VAT: £3.79
1/2" BSPT Male - 1/4" BSPP Female Reducing Bush
Excl. VAT: £3.53
8mm OD 1/2" BSPTM Male Stud Coupling
Excl. VAT: £22.44
